De laatste dagen loopt de temperatuur langzaam op en komt de hete zomer eraan. Om onstabiele verschijnselen zoals hogetemperatuuralarm, lichtonderbreking, ontbrekende beat en zwak licht te voorkomen wanneer de laser wordt gebruikt in de omgeving met hoge temperaturen (zoals langdurig werk bij hoge temperaturen zal de levensduur van de interne pompbron verkorten), vermijd de vroege verzwakking van het laservermogen en zorg ervoor dat de laser normaal kan werken, Chuangxin laser herinnert klanten en vrienden er van harte aan om vooraf de volgende ventilatie- en koelmaatregelen te nemen.
Onderhoudsmaatregelen voor luchtkoelingsseries (markering 10W ~ 50W)
1.Maak bij het installeren van de laser de luchtinlaat of -uitlaat van de laser niet te dicht bij de behuizing, maar laat voldoende ruimte om de luchtcirculatie te garanderen.
2.In de kast moet een koelventilator worden geïnstalleerd om de lucht in de kast convectief te maken. Als de binnenomgevingstemperatuur hoger is dan 30 °C, wordt aanbevolen om een airconditioner te installeren om te voorkomen dat de laser bij hoge temperaturen werkt.
3.Onderhoud de laser regelmatig, blaas de luchtinlaat en -uitlaat van de laser elke maand met een luchtpistool en reinig het stofnet op de kast regelmatig om te voorkomen dat de laserluchtuitlaat wordt geblokkeerd door stof en de warmteafvoer beïnvloedt.
Montageruimtevereisten van luchtkoelingsseries (200W ~ 300W)
1.Het luchtkanaal van het systeem is onafhankelijk, anders vormt het een kortsluiting van de luchtkanalen, zoals weergegeven in de roze punt van figuur 1.

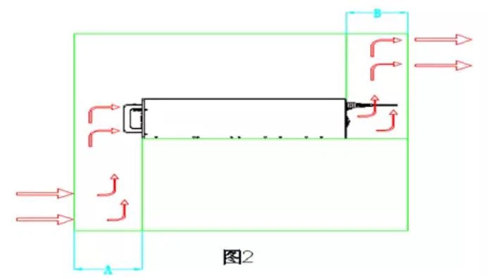
2.A- en B-afstandsvereisten
1) Als de kast openingen toevoegt in het gebied dat direct overeenkomt met de luchtinlaat en -uitlaat van het product, is de grootte niet vereist. Zoals weergegeven in figuur 1, is het rode luchtkanaal weergegeven.
2) Indien het luchtkanaal in figuur 2 is weergegeven, mogen de afmetingen a en B niet kleiner zijn dan 50 mm.
3) Het luchtpad van het systeem is te lang, wat leidt tot overmatige luchtweerstand van het systeem en de warmteafvoerprestaties van het product beïnvloedt.
4) Stofscherm wordt toegevoegd aan de luchtinlaat van het systeem, wat de thermische prestaties van het product met 5 ~ 10 °C beïnvloedt.
5) Het wordt aanbevolen om het stofnet om de twee weken of een week te reinigen, afhankelijk van de omgevingsomstandigheden.

Onderhoudsmaatregelen van middelzware waterkoelingsseries
1.Verander het water- en filterelement regelmatig (3 maanden als cyclus, gebruik gedestilleerd water).
2.De optimale temperatuur van de koelmachine is ongeveer 26 graden (wanneer de temperatuur te hoog is ingesteld, is de koelkracht niet voldoende, de laser zal vaak een alarm geven en als de temperatuur te laag is, zal de condensatie in de laser schade aan interne apparaten veroorzaken).
3.It wordt aanbevolen om de kast in de airconditioningruimte te installeren. De kamertemperatuur van de airconditioningruimte is ingesteld op 26 ° C en de luchtvochtigheid wordt onder de 50% gehouden, om de constante temperatuur van elektrische apparaten in de kast te garanderen.
